INQUIRY
Sourcing
Requirements

Prismatic power battery winding machine
Efficiency:
6ppm(Length of electrode: 16m)
Qualification rate:
≥99.5%
The equipment is mainly used for the fully automated winding of prismatic battery cells, featuring online overhang detection and closed-loop control. After cold pressing, pre-shaping, and Hi-pot testing, the material is unloaded via a conveyor belt, ensuring efficient operation in battery winding machine processes.
Equipment Parameters
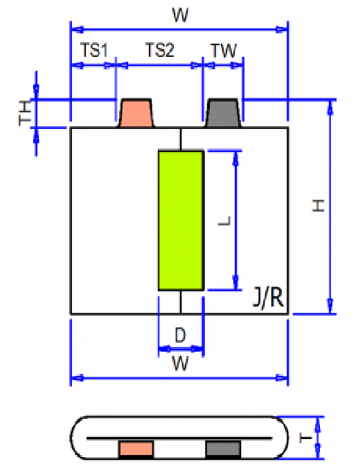
Equipment model | YWPB300 | YWPB450K | Cell diagram |
|---|---|---|---|
Compatibility range | H:80-270 W:100-300 T:10-40 TH:≤35 | H:200-420 W:100-230 T:10-40 TH:≤35 | ![]() |
Line speed fluctuation | <±1 | <±1 | |
Tension fluctuation | <±3% | <±3% | |
Winding alignment(mm) | <±0.3 | <±0.3 | |
Efficiency | 6ppm (Length of electrode: 16m) | 6ppm (Length of electrode: 16m) | |
| Qualification rate | ≥99.5% | ≥99.5% |
Related Products

INQUIRY
Sourcing
Requirements

Contact
Please fill out the form below to contact us.

INQUIRY
Sourcing
Requirements

Contact
Please fill out the form below to contact us.